
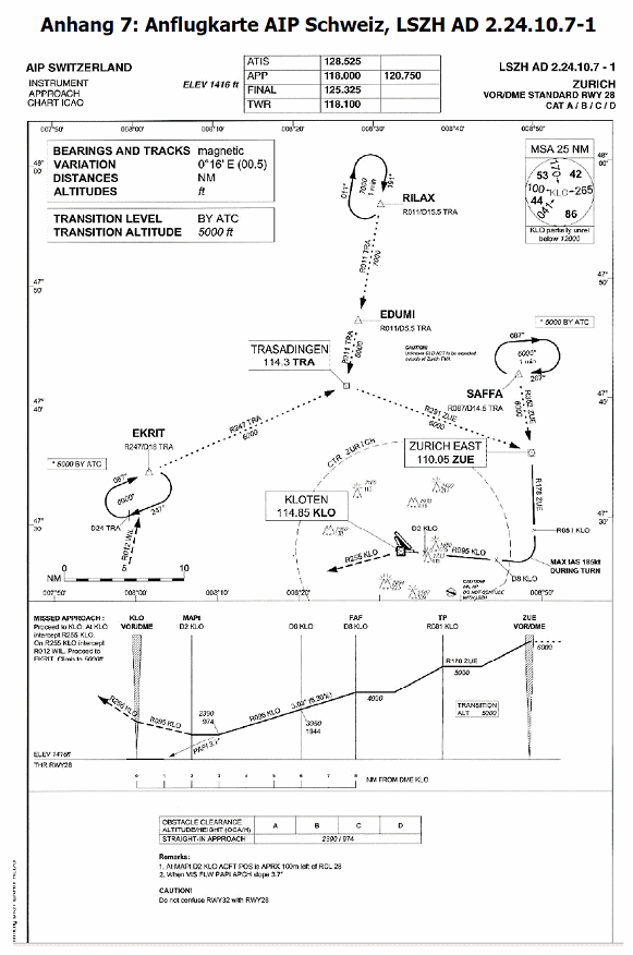
LSZH-Verlag, Anflugkarte und Anflugprofil für die Piste 28
von Zürich-Kloten, Abschlussbericht des BfU Anhang 7

LSZH-Verlag, Anflugkarte für die Piste 28 von
Zürich-Kloten, Abschlussbericht des BfU Anhang 7

LSZH-Verlag, Anflugkarte für die Piste 28 von
Zürich-Kloten, betonte Hügel, Abschlussbericht des BfU
Anhang 7

LSZH-Verlag, Anflugprofil für die Piste 28 von
Zürich-Kloten, Abschlussbericht des BfU Anhang 7

LSZH-Verlag, Anflugprofil für die Piste 28 von
Zürich-Kloten mit Geländeprofil, Abschlussbericht des BfU
Anhang 7

Jeppesen-Verlag, Karte Nr. 23-2, Anflugkarte und
Anflugprofil für die Piste 28, Abschlussbericht Anhang 8

Jeppesen-Verlag, Karte Nr. 23-2, die Anflugkarte für die
Piste 28, die gefährlichen Hügel 4 km vor der
Pistenschwelle fehlen
, Abschlussbericht
Anhang 8

Jeppesen-Verlag, Karte Nr. 23-2, die Anflugkarte für die
Piste 28, die fehlenden, gefährlichen Hügel 4 km vor der
Pistenschwelle sind rot eingezeichnet, Abschlussbericht
Anhang 8

Jeppesen-Verlag, Karte Nr. 23-2, die Anflugprofil für die
Piste 28, die gefährlichen Hügel fehlen völlig
, Abschlussbericht Anhang 8

Jeppesen-Verlag, Karte Nr. 23-2, die Anflugprofil für die
Piste 28, das ungefähre Geländeprofil ist in Grün
eingezeichnet